- 技术特点
- 尺寸
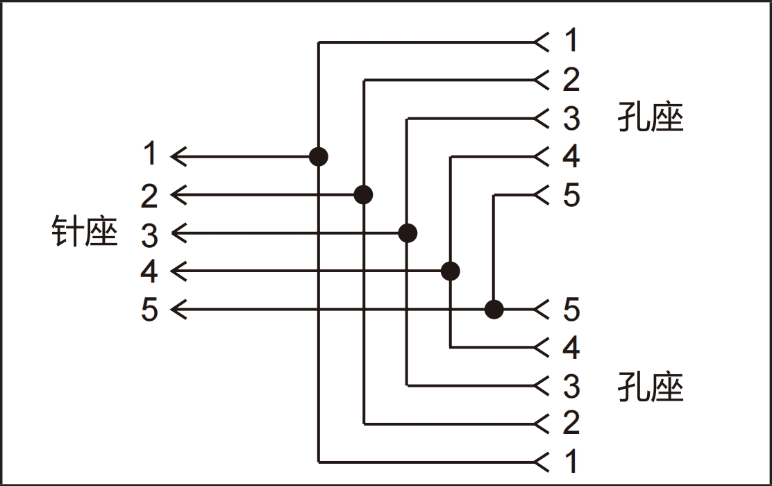
- 连接
- 其它
技术参数 | |
---|---|
执行标准 | IEC 61076-2-101 |
连接螺母材料 | 合金,铜锌,镀镍 |
触点材料 | 合金,铜锌,镀金 |
触头载体材料 | 塑料, PA, 黑色 |
夹紧基体材料 | 塑料,TPU, 黑色 |
密封材料 | FPM/FKM |
绝缘阻抗 | ≥ 100MΩ |
接触阻抗 | ≤ 5mΩ |
污染等级 | 3 |
使用环境温度 | -25~+85℃ |
机械寿命周期 | >100 插拔次数 |
防护等级 | IP67 |

- 克朗兹(广州)电子有限公司
- 地址:广州市增城区荔新八路6号之一
- 电话:020-3298 1980
- 邮箱:sales@kronz.cn