+86 20 32981980
高温环境检测不用愁!KRONZ耐高温传感器,稳定可靠的行业成熟方案
行业应用 | 汽车
高温环境检测不用愁!KRONZ耐高温传感器,稳定可靠的行业成熟方案
工业RFID技术:以智能识别赋能制造业高效升级
行业应用 | 新能源
工业RFID技术:以智能识别赋能制造业高效升级
电感式传感器:扶梯安全与稳定运行的智能守护者
行业应用 | 轨道交通
电感式传感器:扶梯安全与稳定运行的智能守护者
RFID技术赋能新能源电池生产:效率与质量的双提升
行业应用 | 新能源
RFID技术赋能新能源电池生产:效率与质量的双提升
光伏领域的“传感秘籍”:如何挑选合适的电容传感器?
行业应用 | 新能源
光伏领域的“传感秘籍”:如何挑选合适的电容传感器?
克朗兹串口服务器KRS-L201A在锂电池行业的应用实例
行业应用 | 新能源
克朗兹串口服务器KRS-L201A在锂电池行业的应用实例
关于克朗兹
en

请注意,本PDF文档中所示数据均生成自在线目录,仅供参考。想获取具体详尽的产品规格参数请联系我们的销售人员!

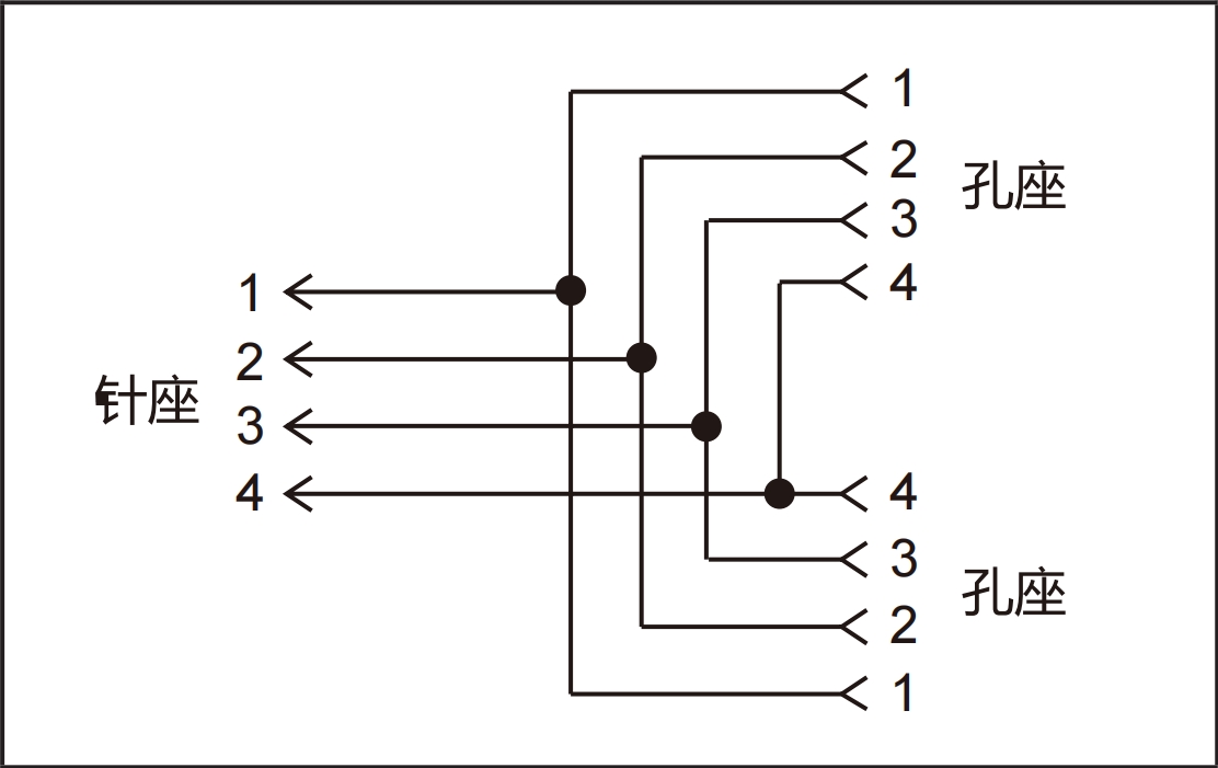
YM4-2F4/L14B
T型分配器/Y型分配器
  • 外形:M12 Y型 分支器
  • 类型:针,M12x1,孔 x2,M12x1,窄型
  • 码制:A-CODE
  • 针脚:4pin
  • 电流:4A
  • 电压:250V
  • 技术特点
  • 尺寸
  • 连接
  • 其它
技术参数
执行标准 IEC 61076-2-101
连接螺母材料 合金,铜锌,镀镍
触点材料 合金,铜锌,镀金
触头载体材料 塑料, PA, 黑色
夹紧基体材料 塑料,TPU, 黑色
密封材料 FPM/FKM
绝缘阻抗 ≥ 100MΩ
接触阻抗 ≤ 5mΩ
污染等级 3
使用环境温度 -25~+85℃
机械寿命周期 >100 插拔次数
防护等级 IP67
  • 克朗兹(广州)电子有限公司
  • 地址广州市增城区荔新八路6号之一
  • 电话:020-3298 1980
  • 邮箱:sales@kronz.cn
订阅我们
通过订阅通讯,您可以更新克朗兹产品、解决方案的最新资讯
联系我们
  • 克朗兹(广州)电子有限公司
  • 地址广州市增城区荔新八路6号之一
  • 电话:020-3298 1980
  • 邮箱:sales@kronz.cn
关注我们