- 技术特点
- 尺寸
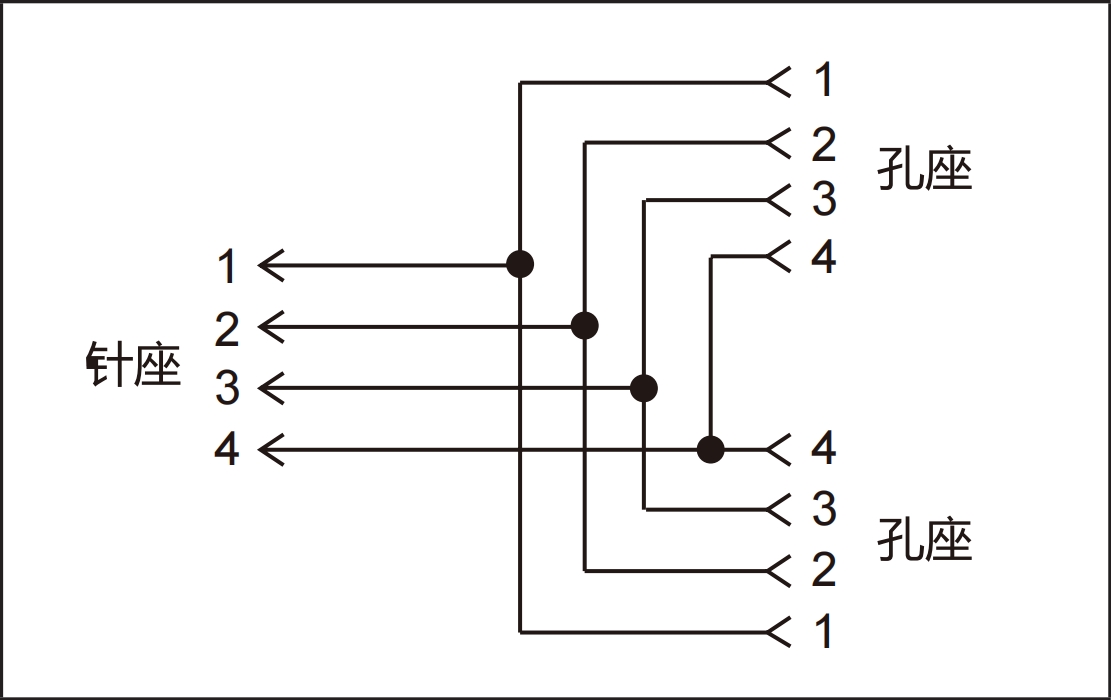
- 连接
- 其它
| 技术参数 | |
|---|---|
| 执行标准 | IEC 61076-2-101 |
| 连接螺母材料 | 合金,铜锌,镀镍 |
| 触点材料 | 合金,铜锌,镀金 |
| 触头载体材料 | 塑料, PA, 黑色 |
| 夹紧基体材料 | 塑料,TPU, 黑色 |
| 密封材料 | FPM/FKM |
| 绝缘阻抗 | ≥ 100MΩ |
| 接触阻抗 | ≤ 5mΩ |
| 污染等级 | 3 |
| 使用环境温度 | -25~+85℃ |
| 机械寿命周期 | >100 插拔次数 |
| 防护等级 | IP67 |
- 克朗兹(广州)电子有限公司
- 地址:广州市增城经济开发区香山大道汉和机器人智造基地展示中心12B栋7楼
- 电话:020-3298 1980
- 邮箱:sales@kronz.cn












.png)













粤公网安备 44011802000815号






